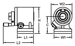
Suburban Tool Collet-Master Spin Index Fixture - CM-5C
- 48 position index plate provides a hard stop every 7-1/2° ±45 arc seconds
- Spindle rides in two sealed, pre-loaded ball bearings
- Maximum spindle runout is 0.0001"
- Drawbar and fitted wooden case included
- Optional faceplate & v-block (CM-5C-FVB) available for eccentric forms
|
|
|
Collet-Master Spin Index Fixture

