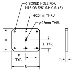
Suburban Rectangular Plain Tooling Plate - TTPR-1620200
- Plain tooling / riser plates provide a convenient base for custom workholding solutions.
- Made from class 40 cast iron, stress-relieved and annealed.
- Top and bottom flat & parallel within 0.001" per 12".

For More Suburban Square & Rectangular Plain Tooling Plates Click Here
Rectangular Plain Tooling Plate

