Suburban T-Type Pallet Fixture - TST-5
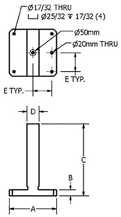
- Pallet fixtures, also known as tombstones, tombstone fixtures or tooling blocks, provide an accurate vertical base for mounting vises, fixtures, or sub-plates.
- Made from one piece, class 40 cast iron that has been stress relieved.
- Base and sides milled flat, parallel & square to 0.001" in 12".
- DIN mounting standard, JIS mounting optional.
- Available standard as plain milled or custom made with your own hole pattern.
- A large number of standard size castings in stock.
- Other materials available on request.
- 5/8"-11" tapped lifting holes standard.

For More Suburban T-Type Pallet Fixtures Click Here
Suburban T-Type Pallet Fixture

